Description
| Conditions environnementales | —20℃~50℃ | Nombre de phases | Single |
| Sens de rotation | CW / CCW | Classe d'isolation | BH |
| Bruit | ≤65dB | Classe de protection | IP00 |
| Conditions de travail | S2.S3 |
Avantages
- 01Vitesses élevées :Les moteurs monoblocs sont capables d'atteindre des vitesses très élevées, dépassant généralement 20 000 tr/min, ce qui les rend particulièrement adaptés aux applications nécessitant une rotation à grande vitesse, telles que les outils électriques et les appareils électroménagers.
- 02Densité de puissance élevée :Comparé à d'autres types de moteurs, le moteur à simple série peut fournir une puissance plus élevée dans un format relativement compact, ce qui le rend adapté aux équipements nécessitant une puissance élevée mais où l'espace est limité.
- 03Bonnes performances au démarrage : Ce moteur possède un couple de démarrage élevé, ce qui lui permet de démarrer rapidement et d'atteindre sa vitesse de fonctionnement en peu de temps, un point important dans certaines applications nécessitant un démarrage rapide.
- 04Large plage de vitesse : La vitesse d'un moteur à simple effet série peut être contrôlée de manière flexible en ajustant la tension ou la charge, ce qui le rend utile dans les applications nécessitant une large plage de vitesses.
05Construction simple et faible coût :
Grâce à leur conception et à leur fabrication relativement simples, les moteurs monoblocs en série ont généralement des coûts de production faibles, ce qui les rend intéressants dans de nombreuses applications à faible coût.
06Large gamme d'applications:
Grâce à leur polyvalence et à leurs hautes performances, les moteurs monoblocs sont largement utilisés dans une variété d'appareils ménagers tels que les aspirateurs, les mixeurs et les sèche-cheveux, ainsi que dans des outils électriques tels que les forets et les tronçonneuses.
07Dans l'ensemble:
Les moteurs série mono-étagés sont largement utilisés dans de nombreuses applications exigeant des performances et une flexibilité élevées grâce à leurs avantages tels que la vitesse élevée, la densité de puissance élevée, de bonnes performances au démarrage et un bon rapport coût-efficacité.
Données techniques du moteur
| Caractéristiques électriques | |||||||||
| Modèle | CHARGE NOMINALE | SANS CHARGE | STALL | ||||||
| Tension | Puissance | Rapidité | torque | Courant | Rapidité | Courant | torque | Courant | |
| V | W | rpm | Nm | A | rpm | A | Nm | A | |
| BGAC7620 | 110 | 350 | 9000 | 0.37 | 4.5 | 17000 | 0.9 | 1.1 | 13.64 |
| BGAC7625 | 220 | 400 | 9000 | 0.42 | 2.6 | 18000 | 0.5 | 1.27 | 7.7 |
| BGAC7630 | 220 | 500 | 10000 | 0.5 | 3.3 | 20000 | 0.6 | 1.59 | 9.7 |
| Nous pouvons également personnaliser les produits selon les exigences du client. | |||||||||
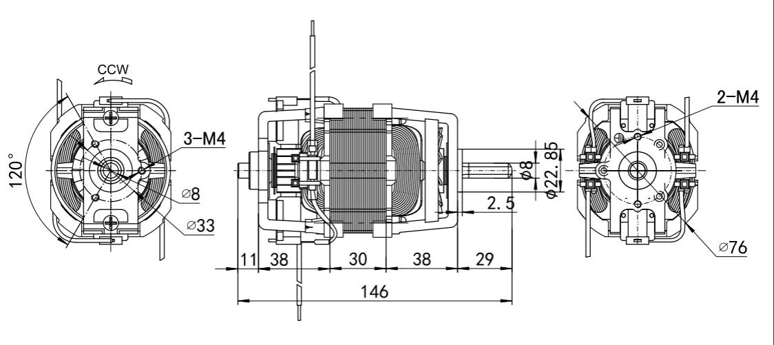
Dimensions mécaniques

Solutions personnalisables
Peut fournir une tension, des performances électriques, un circuit, etc. personnalisés.
Et arbre, bride de montage, fil conducteur, classe de température élevée, entraînement, etc.
Pour tout autre besoin, veuillez contacter nos ingénieurs commerciaux.
Pièces

Applications

Détails de la sélection du moteur
01Scénarios d'application:
Précisez le type d'équipement ou d'application pour lequel le moteur sera utilisé (par exemple, outils électriques, appareils ménagers, etc.) afin de sélectionner les spécifications et caractéristiques appropriées..
02Type d'alimentation et tension :
Déterminez le type d'alimentation (CA ou CC) auquel le moteur sera connecté et la tension de fonctionnement (par exemple 110 V, 220 V, etc.).
03Exigences d'alimentation:
Il est essentiel de comprendre les besoins en puissance du client pour choisir le moteur de puissance approprié. La puissance requise par le moteur à charge maximale doit être déterminée.
04La vitesse:
Déterminez la plage de vitesses requise pour l'application et assurez-vous que le moteur sélectionné peut répondre à ces exigences de vitesse.
05Couple de démarrage et couple de fonctionnement :
Connaître le couple requis par le moteur au démarrage et en fonctionnement permet de s'assurer que le moteur peut fournir une force suffisante pour démarrer et faire fonctionner la charge.
06Exigences relatives à la taille et à l'installation :
Confirmer les contraintes d'espace et les exigences d'installation de l'équipement du client afin de sélectionner la taille du moteur et la méthode d'installation appropriées.
07Environnement d'exploitation:
Comprendre l'environnement de fonctionnement du moteur (tel que la température, l'humidité, la poussière, etc.) afin de sélectionner le type de moteur et le niveau de protection adaptés à cet environnement.
08Mode de contrôle:
Déterminer si des méthodes de contrôle spéciales (telles que le réglage de la vitesse, le contrôle du démarrage, etc.) sont nécessaires pour sélectionner le schéma de contrôle approprié.
09Durée de vie et fiabilité :
Comprendre les exigences du client en matière de durée de vie et de fiabilité du moteur, afin de choisir la marque et le modèle de moteur appropriés.
10Coût et budget :
Comprendre la fourchette budgétaire du client afin de choisir un modèle de moteur économique qui réponde à ses exigences en matière de maîtrise des coûts.
11Certifications et normes :
En fonction du domaine d'application et des besoins du client, déterminer si le moteur doit être conforme à des certifications et normes spécifiques, telles que CE, UL, RoHS, etc.













