Description
| Conditions environnementales | —20℃~50℃ | Nombre de phases | / |
| Sens de rotation | CW / CCW | Classe d'isolation | BH |
| Bruit | ≤65dB | Classe de protection | IP40 |
| Conditions de travail | S1.S2.S3 |
Avantages
- 01Couple de sortie élevé : La structure à engrenages planétaires permet de fournir un couple de sortie élevé, ce qui convient aux petits équipements nécessitant un couple important.
- 02Haute efficacité: Le rendement d'un moteur à réducteur planétaire est généralement relativement élevé, de l'ordre de 85 % à 95 %.
- 03Rigidité et précision élevées : L'engrenage planétaire possède une structure compacte, ce qui permet d'assurer une rigidité et une précision élevées du système de transmission.
- 04Petite taille:Grâce à la conception unique des engrenages planétaires, il est plus petit et plus léger tout en fournissant la même puissance de sortie.
05Un fonctionnement en douceur:
Grâce à la répartition uniforme des engrenages, le fonctionnement du moteur à engrenages planétaires est très régulier et le niveau sonore est faible.
Données techniques du moteur
| Modèle | Tension | Sans charge | Charge nominale | Stalle | La longueur du corps | ||||||
| Rapidité | Courant | Puissance | Rapidité | torque | Courant | torque | Courant | ||||
| V | rpm | A | W | rpm | Nm | A | Nm | A | L:mm | ||
| BG-57BLDC-2430S-1 | 24 | 4000 | 1.22 | 188 | 3000 | 0.598 | 9.8 | 0.99 | 29.38 | 95 | |
| BG-57BLDC-4830S-1 | 48 | 4000 | 0.65 | 200 | 3000 | 0.637 | 5.2 | 1.32 | 15.63 | 115 | |
| Modèle | Ratio de réduction | 1 : X | 1: 3.6 | 1: 13 | 1: 15 | 1: 23 | 1: 47 | 1: 65 | 1: 96 | 1: 121 | |
| longueur de la boîte de vitesses | L : mm | 37.8 | 49.5 | 60.8 | |||||||
| BG-57BLDC-4830S-1-PG56 | vitesse à vide | rpm | 1111 | 308 | 267 | 174 | 85 | 62 | 42 | 33 | |
| Vitesse évaluée | rpm | 833 | 231 | 200 | 130 | 64 | 46 | 31 | 25 | ||
| Couple nominal | Nm | 2.06 | 6.70 | 7.74 | 11.86 | 22.44 | 30.00 | 30.00 | 30.00 | ||
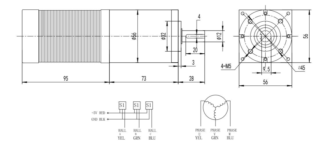
Dimensions mécaniques

Solutions personnalisables
Peut fournir une tension, des performances électriques, un circuit, etc. personnalisés.
Et arbre, bride de montage, fil conducteur, classe de température élevée, entraînement, etc.
Pour tout autre besoin, veuillez contacter nos ingénieurs commerciaux.
Pièces

Applications

Détails de la sélection du moteur
01Scénarios et conditions de travail :
Déterminez le type d'application pour lequel le motoréducteur sera utilisé, par exemple les convoyeurs, les équipements de levage, les bandes transporteuses, etc. Déterminez les conditions de fonctionnement, telles que la température ambiante, l'humidité et si l'étanchéité à l'eau et à la poussière, ainsi que d'autres caractéristiques, sont requises.
- 02Paramètres de sortie requis :
Déterminez la vitesse de sortie et le couple de sortie requis. Déterminez le rapport de réduction requis, c'est-à-dire le rapport entre la vitesse de l'arbre d'entrée et celle de l'arbre de sortie.
03
Contraintes d'espace et exigences d'installation :Déterminer les dimensions et la forme de l'espace d'installation. Déterminer s'il existe des exigences d'installation particulières, telles qu'une installation verticale, horizontale, etc.04Exigences en matière de performance et d'efficacité du moteur :
Déterminer les exigences en matière d'efficacité du moteur, notamment si un moteur à haut rendement est nécessaire pour économiser de l'énergie. Déterminer les exigences en matière de stabilité de fonctionnement du moteur et de niveau sonore.
05Considérations économiques :
Tenez compte des contraintes budgétaires du client et recommandez-lui des produits adaptés à son budget et à ses besoins.06Fonctionnalités supplémentaires et exigences particulières :
S'il existe des exigences fonctionnelles particulières, telles qu'une fonction d'autoblocage, une fonction de freinage d'urgence, etc., vous devez comprendre en détail les besoins spécifiques des clients.07Enfin:
En recueillant et en comprenant ces détails, nous pouvons recommander avec plus de précision le motoréducteur le mieux adapté à nos clients afin de répondre à leurs besoins spécifiques et à leurs exigences de performance attendues.















