Téléphone 
+86 13566033299
Courriel
Quelle est l'application
Réducteur à roue et vis sans fin
4 3 3 3 3
  • 1
  • 2
  • 2
  • 2
  • 2

Moteur électrique à engrenage à vis sans fin BG90ZYT196 48 volts pour fauteuil roulant motorisé Medicare

TYPE:Réducteur à roue et vis sans fin

Numéro de modèle: BG 90ZYT196

Plage de puissance : 40-250W

Plage de tension :12-220VDC

Plage de vitesse nominale : X

Plage de couple nominal : 3.6-60N.m

Durée de vie: 1000Hours


Infos

Description

Conditions environnementales—20℃~50℃Nombre de phases/
Sens de rotationCW / CCWClasse d'isolationBH
Bruit≤65dBClasse de protectionIP40
Conditions de travailS1.S2.S3



Avantages

  1. 01Fonction autobloquante : Le motoréducteur à vis sans fin possède une fonction d'autoblocage, qui empêche tout mouvement inverse, et convient aux applications de levage, de freinage de sécurité et autres situations nécessitant d'empêcher tout mouvement inverse.
  2. 02Structure compacte :Le motoréducteur à vis sans fin offre un rapport de réduction élevé tout en étant relativement petit et compact.
  3. 03Faibles vibrations et bruit : Grâce à la grande surface de contact des engrenages, les vibrations et le bruit des motoréducteurs à vis sans fin sont faibles.
  4. 04Transmission fluide : Le mode d'engrènement de la vis sans fin assure la stabilité de la transmission, ce qui convient aux situations nécessitant une transmission stable.


Données techniques du moteur

Caractéristiques électriques
ModèleCHARGE NOMINALESANS CHARGESTALL
TensionPuissanceRapiditétorqueCourantRapiditéCouranttorqueCourant
VWrpmNmArpmANmA
BG 90ZYT124244030000.132.3840000.480.387.1
BG 90ZYT143249030000.295.3640001.10.8616
BG 90ZYT1962425030000.814.8840002.982.3944
Nous pouvons également personnaliser les produits en fonction des exigences du client.



 Right Angle Gear Motor Technical Data-BG
Rapport de réduction (1: xx)7.512.518305075120180
Vitesse nominale (rpm)40024016610060402517
Couple (Nm)3.668.614.323.935.857.360





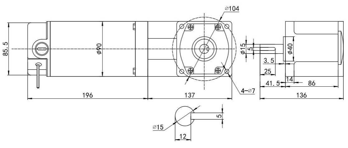
Dimensions mécaniques

image.png

Solutions personnalisables

  • Peut fournir une tension, des performances électriques, un circuit, etc. personnalisés.

  • Et arbre, bride de montage, fil conducteur, classe de température élevée, entraînement, etc.

  • Pour tout autre besoin, veuillez contacter nos ingénieurs commerciaux.

Pièces

photo

Applications

Détails de la sélection du moteur

  1. 01Scénarios et conditions de travail :

    Déterminez le type d'application pour lequel le motoréducteur sera utilisé, par exemple les convoyeurs, les équipements de levage, les bandes transporteuses, etc. Déterminez les conditions de fonctionnement, telles que la température ambiante, l'humidité et si l'étanchéité à l'eau et à la poussière, ainsi que d'autres caractéristiques, sont requises.

  2. 02Paramètres de sortie requis :

    Déterminez la vitesse de sortie et le couple de sortie requis. Déterminez le rapport de réduction requis, c'est-à-dire le rapport entre la vitesse de l'arbre d'entrée et celle de l'arbre de sortie.

  3. 03

    Contraintes d'espace et exigences d'installation :Déterminer les dimensions et la forme de l'espace d'installation. Déterminer s'il existe des exigences d'installation particulières, telles qu'une installation verticale, horizontale, etc.
  4. 04Exigences en matière de performance et d'efficacité du moteur :

    Déterminer les exigences en matière d'efficacité du moteur, notamment si un moteur à haut rendement est nécessaire pour économiser de l'énergie. Déterminer les exigences en matière de stabilité de fonctionnement du moteur et de niveau sonore.

  5. 05Considérations économiques :

    Tenez compte des contraintes budgétaires du client et recommandez-lui des produits adaptés à son budget et à ses besoins.
  6. 06Fonctionnalités supplémentaires et exigences particulières :

    S'il existe des exigences fonctionnelles particulières, telles qu'une fonction d'autoblocage, une fonction de freinage d'urgence, etc., vous devez comprendre en détail les besoins spécifiques des clients.
  7. 07Enfin:

    En recueillant et en comprenant ces détails, nous pouvons recommander avec plus de précision le motoréducteur le mieux adapté à nos clients afin de répondre à leurs besoins spécifiques et à leurs exigences de performance attendues.


Pourquoi nous pouvons résoudre ces problèmes.
QUELQUE CHOSE QUE VOUS NE POUVEZ PAS TROUVER ?
Discutez avec un de nos représentants commerciaux

BG Motor s'engage à produire des moteurs de la meilleure qualité pour ses clients.

  • ODM et OEM
  • Faible niveau sonore < 50 dB et longue durée de vie > 20 000 heures
  • Couple élevé et hautes performances
  • Solution de personnalisation du moteur (taille et données)
  • Réponse rapide en moins de 6 heures
  • Excellentes capacités de R&D et d'innovation
  • Livraison rapide
  • Garantie qualité d'un an
ENVOYEZ-NOUS UN E-MAIL
technologie@china-bgmotor.com

FORMULAIRE DE CONTACT

  • *Prénom:
  • Téléphone:
  • Compagnie:
  • *Courrier:
  • *Contenu:
Copyright © 2024 BG MOTOR. Tous droits réservés.

FORMULAIRE DE CONTACT

  • *Prénom:
  • Téléphone:
  • Compagnie:
  • *Courrier:
  • *Contenu:
Nous vous répondrons dans les 12 heures.
Vous recevrez une solution personnalisée gratuite