Description
| Conditions environnementales | —20℃~50℃ | Nombre de phases | / |
| Direction de rotation | CW / CCW | Classe d'isolation | BH |
| Bruit | ≤65дБ | Класс защиты | IP40 |
| Les conditions d'exploitation | S1.S2.S3 |
avantages
- 01Structure du projet :
La structure de cette zone est située à l'extérieur de la zone de travail, il est donc facile de le planifier et de l'obstruer. C'est ce qui m'amène à me préparer pour le travail et l'utilisation de masse.
- 02Mise à jour rapide :
À ce moment-là, vous pouvez facilement contrôler, réguler la configuration et le travail. Cela étant donné qu'ils soient populaires dans les programmes, ils doivent améliorer leur performance et leur popularité.
- 03Le moment le plus important :
Ce professeur du poste s'est rendu compte que vous étiez à un moment précis de la petite enfance, ce qui est le meilleur pour le travail, les tracas. Nous sommes à ce moment-là, comme les véhicules électriques, ils sont en mesure de s'en occuper et d'autres.
- 04L'affichage des résultats est :
Il s'agit d'un petit moteur d'inertie, ce moteur est en mesure de faire en sorte que le bus réagisse et puisse le faire. скорость и направление.
05Présentation générale :
Il s'agit d'un projet de construction, d'un bâtiment de construction et d'une mise en œuvre de travaux de construction, qui s'adressent aux entreprises qui utilisent le chimiste dans различном промышленном и бытовом электронном оборудовании, таком как игрушки, электроинструменты, мелкая бытовая техника и т.д.
06Facilité d'entretien:
L'observation technique et les détails (par exemple, pièces) sont fournis par le poste à des tâches spécifiques, qui sont liées время простоя и расходы на ремонт.
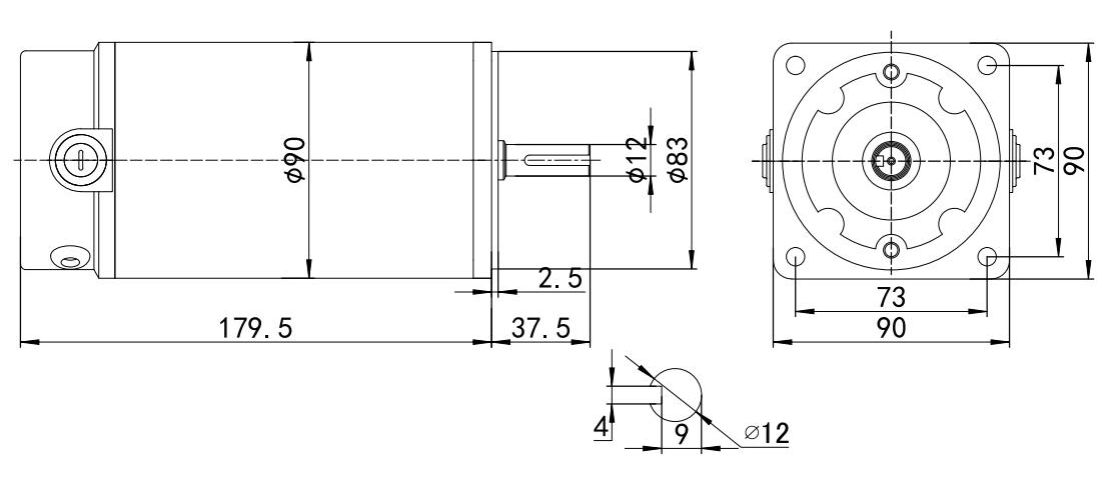
Технические данные двигателя
| Spécifications électriques | |||||||||
| Modèle | НОМИНАЛЬНАЯ НАГРУЗКА | БЕЗ НАГРУЗКИ | ACIER | ||||||
| Stress | puissance | Rapidité | Kruрутящий instant | Courant | Rapidité | Courant | Torsion instant | Courant | |
| V | W | rpm | Nm | A | rpm | A | Nm | A | |
| BG 90ZYT1215 | 12 | 100 | 1500 | 0.64 | 10.4 | 2000 | 1.30 | 1.91 | 31.25 |
| BG 90ZYT2420 | 24 | 200 | 2000 | 0.96 | 10.4 | 2700 | 1.30 | 2.87 | 31.25 |
| BG 90ZYT4830 | 48 | 300 | 3000 | 0.96 | 7.8 | 4000 | 0.98 | 2.87 | 23.44 |
| BG90ZYT22030 | 220 | 400 | 3000 | 1.27 | 2.3 | 4000 | 0.28 | 3.82 | 6.82 |
| Vous pouvez alors créer un produit pour la commande en fonction des tâches de commande. | |||||||||
Rasoirs mécaniques

Résolution de problème
Vous pouvez prendre en compte les caractéristiques électriques, les schémas et les caractéristiques électriques.
Et bien, les employés, les professeurs de sexe, la classe высокотемпературный, привод и т.д.
Si vous êtes confronté à un problème de drogue, vous devrez peut-être vous intéresser à vos infections avant de les effectuer.
Pièces détachées

Applications

Les détails de votre visite
01Scénarios d'application :
Informations spécifiques sur l'installation et l'utilisation des appareils, par exemple dans les appareils électroménagers, les technologies de pointe, les promышленном оборудовании и т.д.
02Напряжение и ток:
Préparer le travail du diaphragme et ce qui est nécessaire pour le travail, ce qui est normal pour votre travail normal энергосистеме заказчика.
03Мощность и КПД:
Prévenez les problèmes liés aux clients et aux clients en vous aidant de leurs utilisateurs, afin de garantir ce que vous pouvez faire. соответствовать требуемым рабочим характеристикам.
04Скорость и крутящий момент:
Уточните требования заказчика к скорости и крутящему моменту двигателя, включая максимальную скорость, включая максимальную скорость, моменту скорость, пусковой и рабочий крутящий момент и т. d.
05Размер и установка:
Prévoyez des paramètres et des outils de travail qui vous permettent de vous adapter à la configuration et à la configuration. месту установки оборудования заказчика.
06Срок службы и надежность:
Pour des raisons d'utilisation et de travail, vous devez vous occuper de votre travail et de votre travail, включая срок службы щеток и коммутаторов.
07Условия окружающей среды:
Учитывайте условия окружающей среды, влажность, уровень пыле- и влагозащиты и т.д., чтобы выбрать соответствующий тип двигателя и уровень защиты.
08Bruit et vibration :
Pour trouver des solutions à la demande de votre casque et de votre vibration, vous pouvez choisir un modèle pour votre casque et votre vibration, особенно в тех случаях, когда требуется бесшумная работа.
09Mode de contrôle:
Pour des raisons d'utilisation et de travail, vous devez vous occuper de votre travail et de votre travail, включая срок службы щеток и коммутаторов
10Стоимость и бюджет:
Il est important de préciser que le modèle économique est en cours de préparation pour la commande. contrôle затрат.
11Certificats et normes :
En ce qui concerne les événements et les possibilités de commande, vous devez maintenant vous assurer que les opérations sont terminées. Certificats et normes, comme CE, UL, RoHS et autres. d.









