Description
| Conditions environnementales | —20℃~50℃ | Nombre de phases | / |
| Sens de rotation | CW / CCW | Classe d'isolation | BH |
| Bruit | ≤60dB | Classe de protection | IP40-IP65 |
| Conditions de travail | S1.S2.S3 | Zertifizierung beitragen | CE/CC/FCC/ISO9001/RoHS |
Avantages
- 01Ultra-Low Backlash & High Precision: Precision gear motors offer low-backlash performance (1–10 arcmin), delivering accurate positioning and stable motion control—ideal for robotics and automation.
- 02High Torque Density in a Compact Gearbox:With planetary gearboxes, RV reducers, or harmonic drives, these motors provide strong high-torque density while maintaining a compact and space-efficient design.
- 03
High Rigidity & Long Service Life:
Engineered with high-strength gears and precise meshing, precision gear motors offer excellent torsional rigidity, durability, and long-term reliability for continuous industrial operation. - 04Smooth Transmission with Low Noise & Vibration: Thanks to optimized gear profiles and fine machining, precision gear motors ensure smooth transmission, reduced vibration, and low noise—ideal for robots, medical devices, and precision equipment.
Données techniques du moteur
| Modèle | Tension | Sans charge | Charge nominale | Stalle | La longueur du corps | ||||||
| Rapidité | Courant | Puissance | Rapidité | torque | Courant | torque | Courant | ||||
| V | rpm | A | W | rpm | Nm | A | Nm | A | L:mm | ||
| BG60BLDC-4830S | 24 | 3000 | 0.52 | 75 | 2200 | 0.33 | 4.2 | 0.98 | 12.50 | 80 | |
| BG60BLDC-36 | 36 | 3300 | 0.74 | 160 | 2500 | 0.61 | 5.9 | 1.83 | 17.78 | 100 | |
| BG60BLDC-4830S-1 | 48 | 2000 | 0.75 | 100 | 1500 | 0.64 | 6.0 | 1.91 | 18.00 | 100 | |
| BG60BLDC-4830S-2 | 72 | 4600 | 0.69 | 300 | 3500 | 0.82 | 5.6 | 2.46 | 16.67 | 120 | |
| BG60BLDC-31030S | 310 | 4000 | 0.22 | 400 | 3000 | 1.27 | 1.8 | 3.82 | 5.25 | 140 | |
| Modèle | Surface d'attaque Ratio | 1 : X | 1: 3 | 1: 5 | 1: 9 | 1: 15 | 1: 35 | 1: 50 | 1: 70 | 1: 100 | |
| BG-60BLDC-31030S | vitesse à vide | rpm | 1333 | 800 | 444 | 267 | 114 | 80 | 57 | 40 | |
| Vitesse évaluée | rpm | 1000 | 600 | 333 | 200 | 86 | 60 | 43 | 30 | ||
| Couple nominal | Nm | 3.51 | 5.84 | 10.52 | 17.53 | 40.89 | 58.42 | 60.00 | 60.00 | ||
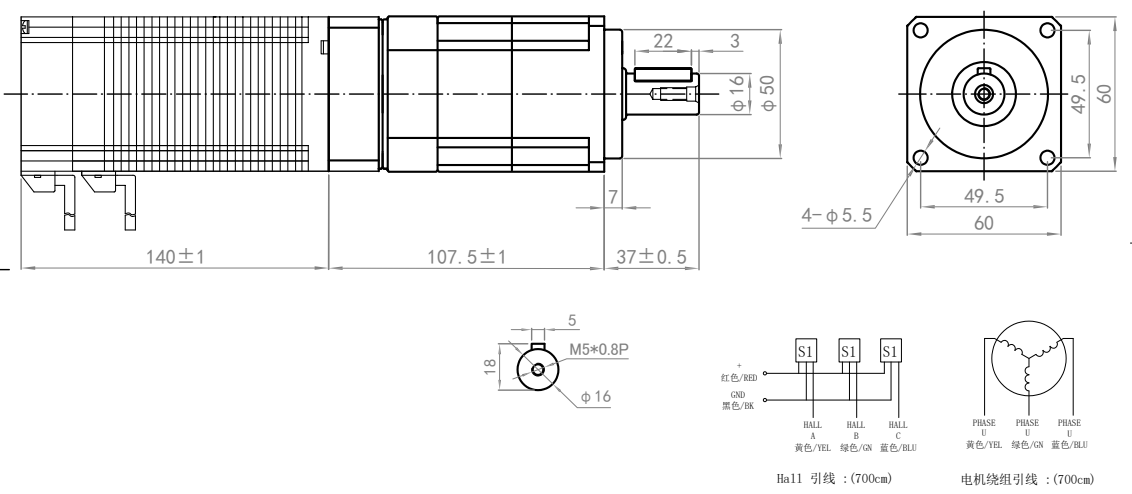
Dimensions mécaniques

Solutions personnalisables
Peut fournir une tension, des performances électriques, un circuit, etc. personnalisés.
Et arbre, bride de montage, fil conducteur, classe de température élevée, entraînement, etc.
Pour tout autre besoin, veuillez contacter nos ingénieurs commerciaux.
Pièces

Applications

Détails de la sélection du moteur
01Scénarios et conditions de travail :
Déterminez le type d'application pour lequel le motoréducteur sera utilisé, par exemple les convoyeurs, les équipements de levage, les bandes transporteuses, etc. Déterminez les conditions de fonctionnement, telles que la température ambiante, l'humidité et si l'étanchéité à l'eau et à la poussière, ainsi que d'autres caractéristiques, sont requises.
- 02Paramètres de sortie requis :
Déterminez la vitesse de sortie et le couple de sortie requis. Déterminez le rapport de réduction requis, c'est-à-dire le rapport entre la vitesse de l'arbre d'entrée et celle de l'arbre de sortie.
03
Contraintes d'espace et exigences d'installation :Déterminer les dimensions et la forme de l'espace d'installation. Déterminer s'il existe des exigences d'installation particulières, telles qu'une installation verticale, horizontale, etc.04Exigences en matière de performance et d'efficacité du moteur :
Déterminer les exigences en matière d'efficacité du moteur, notamment si un moteur à haut rendement est nécessaire pour économiser de l'énergie. Déterminer les exigences en matière de stabilité de fonctionnement du moteur et de niveau sonore.
05Considérations économiques :
Tenez compte des contraintes budgétaires du client et recommandez-lui des produits adaptés à son budget et à ses besoins.06Fonctionnalités supplémentaires et exigences particulières :
S'il existe des exigences fonctionnelles particulières, telles qu'une fonction d'autoblocage, une fonction de freinage d'urgence, etc., vous devez comprendre en détail les besoins spécifiques des clients.07Enfin:
En recueillant et en comprenant ces détails, nous pouvons recommander avec plus de précision le motoréducteur le mieux adapté à nos clients afin de répondre à leurs besoins spécifiques et à leurs exigences de performance attendues.













